ЭВМ УМ-1 и УМ-1-НХП
Грубов В.И., Кирдан В.С.
Полупроводниковая управляющая машина УМ-1 предназначена для централизованного контроля и автоматического управления в системах комплексной автоматизации агрегатов и цехов химической, нефтеперерабатывающей, нефтехимической, металлургической и других отраслей промышленности.
Основное назначение УМ-1 — оптимизация технологических процессов путём расчёта корректирующих и управляющих воздействий на локальные системы автоматического регулирования. На рис. 30 изображён общий вид машины.
Машина может использоваться как автономно, так и в составе системы оперативного управления СОУ-1.
С помощью УМ-1 выполняются следующие операции: определение технических и экономических характеристик процесса при его исследовании; автоматический контроль значений технологических параметров с централизованной их индикацией, регистрацией и сигнализацией отклонений от заданных величин; расчёт комплексных параметров и оперативный контроль их значений; расчёт оптимальных режимов ведения процесса; расчёт и выдача управляющих воздействий на задатчики местных систем автоматического регулирования (возможна выдача управляющих воздействий непосредственно на использованные механизмы).
В машине предусмотрена возможность выполнения по запросам оператора и различных устройств машины до 16 не связанных между собой программ с автоматическим выбором наиболее важного и срочного запроса, прерыванием выполняемой программы для перехода к более важной и последующим возвратом.
Осуществляется автоматическая модификация команд, причём в каждой программе можно использовать до шести модификаторов.
УМ-1 рассчитана на работу с унифицированными местными системами автоматического контроля и регулирования (АУС, МАУС и ЭАУС).
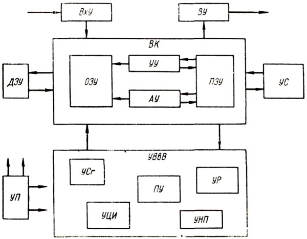
УМ-1 состоит из внешних устройств (входного и выходного), устройств ввода, вывода и вычислительного комплекса, объединяющего арифметическое устройство, оперативные и постоянные запоминающие устройства и устройства центрального управления. На рис. 31 изображена блок-схема машины.
Основные технические характеристики
Структура команд одноадресная. Система счисления двоичная. Способ представления чисел — с фиксированной запятой. Разрядность — 21 двоичный разряд. Быстродействие — 900 операций (типа сложения) в секунду. Количество команд — 30.
Характеристики ЗУ:
- ёмкость ОЗУ — четыре блока ёмкостью 1024 ячейки каждый;
- ёмкость ДЗУ — три блока ёмкостью 2048 ячеек каждый;
- ёмкость внешнего НМЛ — 200 000 чисел.
Комплекс ввода и вывода обеспечивает связь оператора с вычислительным комплексом и через него с автоматизируемым объектом и выполняет следующие функции: ввод информации (ручной и с перфоленты) от оператора в вычислительный комплекс, автоматическую регистрацию контролируемых параметров и расчётных показателей; регистрацию и цифровую индикацию любого параметра по вызову; сигнализацию при отклонении параметров от заданных значений; сигнализацию состояния оборудования; контроль самого комплекса и сигнализацию о его неисправности.
Комплекс внешних устройств связывает УМ-1 с управляемым объектом по входным и выходным сигналам и включает следующие каналы: аналоговых электрических сигналов от датчиков и преобразователей ЭАУС (0 – 5 В, 0—5 мА) — от 16 до 384; сигналов от термопар и термометров сопротивления стандартных градуировок — от 16 до 5180; сигналов от пневматических датчиков (0,2—1 кг/см2) — от 8 до 5120; позиционных входных сигналов — от 40 до 720; число-импульсных входных сигналов — от 20 до 360; аналоговых электрических выходов (0—5 В) — от 2 до 114; аналоговых пневматических выходов (0,2 – 1 кг/см2) — от 8 до 820; позиционных контактных электрических выходов — от 20 до 1140.
Количество каналов входных и выходных сигналов различного вида может изменяться в сторону как увеличения, так и уменьшения с учётом требований объекта и мощности вычислительного комплекса. Возможно также дублирование входных и выходных каналов для повышения общей надёжности системы.
Питание машины от сети трёхфазного переменного тока напряжением 220/380 В, частотой 50 Гц. Потребляемая мощность не более 7, 5 кВт.
Занимаемая площадь 80 м2. Вес 1700 кг. Температурный режим 20 ± 5°С при относительной влажности 65 ± 15%.
Рис. 31. Блок-схема УМ-1:
ОЗУ — оперативное запоминающее устройство; УУ — устройство управления; АУ — арифметическое устройство; ВхУ — входное устройство; ВУ — выходное устройство; ВК — вычислительный комплекс; ПЗУ — постоянное ЗУ; ДЗУ — долговременное ЗУ; УС — устройство связи; УП — устройство питания; УВвВ — устройство ввода — вывода; УСг — устройство сигнализации; ПУ — пульт управления; УР — устройство регистрации; УЦИ — устройство цифровой индикации; УНП — устройство накопителя на перфоленте.
УМ-1 изготовлена в виде нескольких стоек. Блочная структура позволяет быстро заменять неисправные блоки и изменять ёмкости устройств. Максимально использованы стандартные элементы. Предусматривается проведение регламентных работ.
Программный и схемный контроль в машине включает двойной счёт, решение тестовых задач, контроль по паритету и с помощью вычетов по модулю три, автоматический анализ сбоев и устранение их последовательности. При случайных сбоях повторно решается задача или её части, а при систематических сбоях поступает сигнал оператору.
ЭВМ УМ-1-НХП
Управляющая машина УМ-1-НХП предназначена для управления производственными процессами в металлургической, химической, нефтеперерабатывающей и других отраслях промышленности. На рис. 32 изображён общий вид машины.
Рис. 32. Общий вид УМ-1-НХП.
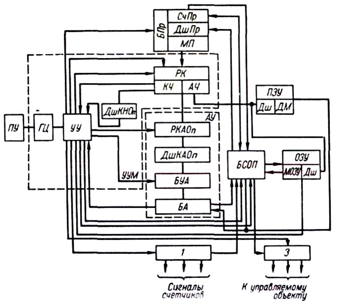
Машина состоит из устройства ввода, цифрового вычислителя и устройства вывода. На рис. 33 изображена блок-схема машины.
Основные технические характеристики
Структура команд двух- и трёхадресная. Система счисления двоичная. Способ представления чисел — с фиксированной запятой. Разрядность — 14 цифровых разрядов и 1 знаковый. Время выполнения отдельных операций: при сложении — 200 мксек; при умножении — 1000 мксек; при делении — 1200 мксек; при преобразовании напряжения в код — 600 мксек; при преобразовании угла в код — 200 мксек. Количество команд — 31. Особенностью системы команд является операция паузы, которая прерывает ход программы до поступления запускающего импульса, что позволяет работать в реальном масштабе времени.
Характеристики ЗУ:
- ёмкость блока программы — 2048 команд;
- ёмкость ДЗУ — 512 чисел;
- ёмкость ОЗУ — 256 чисел;
- ёмкость сверхоперативной памяти — 44 числа.
Устройство ввода: число каналов ввода информации в виде напряжения — 8; диапазон преобразуемого напряжения от —5 В до +5 В; число каналов ввода информации от преобразователей угла поворота в код — 8; разрешающая способность преобразования угла — 11 двоичных разрядов; разрядность цифрового входа — 15 двоичных разрядов.
Рис. 33. Блок-схема УМ-1-НХП.
АУ — арифметическое устройство: УУМ — устройство управления машиной: БПр — блок программы; ПЗУ — пассивное запоминающее устройство; ОЗУ — оперативное запоминающее устройство; БСОП — блок сверхоперативной памяти; ДшКНОп — дешифратор кодов неарифметических операций; РКАОп — регистр кодов арифметических операций; ДшКАОп — дешифратор кодов арифметических операций; БУА — блок управления арифметикой; БА — арифметический блок; РК — регистр кодов; КЧ — кодовая часть регистра команд; ДМ — диодная матрица; Дш — дешифратор; МОЗУ — магнитное оперативное запоминающее устройство; СчПр — счетчик программы; ГЦ — генератор циклов; ДшКАОп — дешифратор кодов арифметических операций; ПУ — пульт управления; УУ — собственно устройство управления; АЧ — адресная часть регистра кодов.
Устройство вывода: общее число каналов выдачи информации — 8; число каналов выдачи информации в виде напряжения — 8; число каналов выдачи информации в виде числа — 4; разрешающая способность преобразования числа в напряжение — 5 двоичных разрядов.
Машина построена на полупроводниковых приборах потенциального типа.
Питание машины от сети переменного тока напряжением 127/220 В. Потребляемая мощность 220 вт.
Габариты машины 900 × 520 × 1750 мм. Вес 300 кг.
Температурный режим 10—30°С при относительной влажности до 85%.
Электронные вычислительные машины и моделирующие устройства. Справочник. –К.: “Наукова думка”, 1969.
22 сентября 2014
