1969 - 1972
Г.С. Смирнов
В отделе Н.С. Николаева завершили разработку системы автоматического управления электропоездом метрополитена САУ-М1, УВМ “Сталь-V-1”, ЭВМ специального назначения “Сура”, аналого-вычислительного комплекса “Сатурн-1” и начали разработку АВМ “Марс”, АЦВМ “Код” (1970-1971 гг), АВМ “Сатурн-2” (1971-1975 гг.), в 1971 году завершили ОКР “Строитель”, в 1972 году – САУ-М2, “Листопрокат.
В июле 1970 года Главным конструктором Е.Б. Рассказовым проведены приёмо-сдаточные испытания программы “Операционный день” – большой успех электриков, конструкторов и программистов, разрабатывавших систему “Банк”.

На снимке конструкторы-"банкачи".
В первом ряду – Г.С. Удинская, В.С. Савельева, В.К. Дмитренко, М.И. Сазонова, И.К. Кутний, Л.Г. Илюхина, Е.Д. Руднева.
Во втором ряду – Л.П. Васильева, И.И. Мельниченко, А.К. Аристова, Н.Г. Воронин, З.М. Демушкина, В.А. Соколова, А.И. Чигина, Н.И. Климкин, С.И. Бакаев, С.В. Надеждин.
Попытка привлечь к разработке “банковских” программ опытных специалистов Московского НИИ автоматической аппаратуры была безуспешной. Руководимые В. Садовским “доморощенные” программисты отдела самостоятельно завершили разработку важнейшего продукта.
На снимке программисты -“банкачи”.
В первом ряду – Р. Дулатов, В. Покатило, В. Денисова, В. Садовский, Л. Михеева, Т. Семина.
Во втором ряду – Т. Першина, Л. Куприянова, Н. Мазаева, В. Теплинская, Г. Хвесько.
В третьем ряду – Е. Айзенштейн, Л. Берестова, Г. Миронова, Н. Андреева.
Ввод информации из отделений банка в систему проводился в режиме диалога по каналам связи с рабочих мест, число которых – до 256.
Процессор обмена системы выполнен на двух машинах “Урал-11”. Процессор обработки выполнен на двух машинах “Урал-14Д”.

идет решение задачи

идет прием информации
Система “Банк” с многомашинным вычислительным комплексом из двух ЭВМ “Урал-11” и двух ЭВМ “Урал-14” внедрена в Москве и Московской области.
Разработчики отмечали, что проводимая с помощью американской фирмы Хонейвелл Бюлл автоматизация банковских операций в Ленинграде работала без дистанционного режима, с “подвозом” перфокарт.
Междуведомственная комиссия в ноябре 1972 года высоко оценила принятые технические решения и отметила, что система представляет собой сочетание современных средств подготовки, передачи, хранения и обработки информации и относится к классу наиболее крупных информационных систем. Таких систем в банковской отрасли в нашей стране не было. Технические средства системы были представлены 260 устройствами. В использованном программном обеспечении – 300000 команд
Удовлетворение разработчиков системы “Банк” разделяли и мы, разработчики машин “Урал”: в очередной раз подтверждена высокая надёжность нашей аппаратуры, её способность обеспечивать решение сложнейших задач автоматизации.
В 1972-1975 годах система “Банк” тиражирована: выполнена автоматизация процессов обработки банковской информации в учреждениях 13 городов нашей страны.
В отделе А.С. Горшкова в 1970-1972 годах был разработан вычислительный комплекс “Корунд”, состоящий из трех машин «Урал-11» и двух машин “Урал-14”. Участниками работы были Г.С. Богословская, Ю.В. Пинигин, А.А. Еременко, Н.Я. Шварц, Ю.А. Якунин, А.Д. Доля и другие. Комплекс использовался в системе управления войсковой спутниковой связью. Вместе с машиной БЭСМ-6 машины “Урал-11” и “Урал-14” использовались в Центре управления полетом при обеспечении стыковки космического корабля “Союз” и американского корабля “Апполон”.
В июле 1970 года в отделе В.И. Буркова завершили подготовку программного обеспечения машины “Урал-14” к междуведомственным испытаниям. Активные участники работы А.И. Плетминцев, Ю.И. Патрушев, Г.А. Бобрышева, А.С. Шумилов.

В числе предъявленных комиссии документов программа-диспетчер Д2У-14, которая:
- организует реакцию вычислительной системы на прерывания от устройств ввода-вывода и от программ;
- распределяет динамически ресурсы оперативной и внешней памяти:
- организует мультипрограммную работу;
- организует взаимодействие задач;
- управляет вычислительной системой;
- повышает программными средствами устойчивость вычислительной системы.
Программа-диспетчер включала в себя 33620 команд. Длина резидентной части диспетчера – 9720 слов.
Группа разработчиков-программистов внутреннего математического обеспечения ЭВМ Урал 14
1 ряд – В Смертин, З. Мещерякова, А. Сивохин, Л. Литвиненко, Т. Козлова, О. Федотова, Б. Рябов, К. Инкина, Л. Погодина.
2 ряд
– В.Скорик, О. Новосельцев, В. Белоусов, Г.Покатило, Л. Граник, Ю. Бучнев
3 ряд
–
В. Мясникова, А. Костина, В. Лебедева, Н. Шашина, Г. Шитова, М. Гендельман, А. Акимкина, М. Адрианова.
Язык программирования – автокод АРМУ. Он обеспечивал автономное программирование и отладку блоков программ, использование библиотечных программ. Был транслятор с АРМУ на машинный язык “Урала-14” и отладчик.
В составе предъявленных комиссии документов – “Инструкция по программированию” в нескольких частях и книгах. В ней приведены алгоритмы работы и характеристики подпрограмм, интерпретирующих:
- операции над числами с плавающей запятой с длиной мантиссы 24 бита, порядка – 8 бит;
- операции над 48-разрядными двоичными числами с фиксированной запятой;
- вычисление элементарных функций.
Обращение к таким подпрограммам – по экстракодам.
В инструкции сообщено время исполнения подпрограмм:
- для чисел с плавающей запятой (мантисса – 24 бита, порядок 8 бит): сложения 1,2 мсек, вычитания – 1,5 мсек, умножения – 1,2 мсек, деления – 1,2 мсек, перевод десятичных чисел в двоичные – 5,5 мсек, а обратный перевод – 8,5 мсек;
- для чисел длиною 48 бит с фиксированной запятой: сложения – 2 мсек, вычитания – 2,3 мсек, умножения – 6,5 мсек, деления – 22 мсек, сравнения – 0,9 мсек, перевод десятичных чисел в двоичные – 1,9 мсек, а обратный перевод – 5,2 мсек;
- вычисления элементарных функций с фиксированной запятой от 2,3 мсек до 6,5 мсек и с плавающей запятой от 2,9 мсек до 8,5 мсек.

В этом же году пользователи смогли заказывать сопроцессор У-345 для “Урала-11” и “Урала-14”, обеспечивающий выполнения операций с числами длиною 48 бит с фиксированной запятой и чисел с плавающей запятой: время сложения – не более 40 мксек, умножения – не более 170 мксек, деления – 300 мксек.
Большую скорость операций могли получать пользователи машины “Урал-16”: в 4 – 10 раз.
Головной заводской образец “Урала-16” поступил в НИИММ.
В 1971 году в НИИММ междуведомственная комиссия под руководством А.А. Дородницына провела испытания и приняла машину “Урал-16” с математическим обеспечением. Это – автокод АРМУ, транслятор с АРМУ на машинный язык, отладчик и тест-программы. На испытаниях получила подтверждение высокая надёжность работы машины. Но время ушло. Завод выпустил несколько машин “россыпью”, по заказам устройств.
В.Г. Желнов с участием коллег в 1969 году завершил разработку автомата У-706 для сортировки ферритовых сердечников с внешним диаметром 0,8/0,6 мм путем непосредственных измерений импульсных параметров, а в 1970-1971 – автомата У-707 для сердечников с диаметром 0,5 – 0,8 мм. Автоматы выпускались серийно.
В июле 1970 в отделе Г.С. Смирнова успешно завершены междуведомственные испытания модуля ферритовой памяти У-465 ёмкостью 16384х52 бита с циклом 2,8 мксек. Испытания работоспособности модуля выполнены с использованием разработанного устройства У-727, обеспечивающего задание динамических тестов и автоматизированный контроль их исполнения.
В 1971 году НТС НИИММ предложил присудить В.Г. Желнову и мне Госпремию. Мною с Ю.Ф. Филатовым и его коллегами завершена разработка устройства У-717 для контроля кубов КФ-11, а с В.А. Соколовым – модернизированного модуля ферритовой памяти У-465 (У465МВ) для работы с ЭВМ на микросхемах. Начались разработки подобных по параметрам модулей памяти У-466 и У-466С по заказу Центрального НИИ связи.

В этом году мною с К.Е. Юренковым, Н.В. Морозовым, В.К. Петровым, Н.Ф. Филатовым, В.Ф. Юсуповым завершена НИР “Разработка и экспериментальное исследование комплекса элементов спецсхем МОЗУ с микросхемной логикой, выборкой 3D ёмкостью до 1 Мбита с Тц=2-3 мксек”.

Предложено использовать трансформаторный матричный переключатель и возбудители на интегральных микросхемах 1ЛБ557 для возбуждения мощных переключающих транзисторов интегрированной матрицы. Вариант схемотехники с усилителем считывания 1УИ461 и логическими микросхемами доведен до реализации в модуле ферритовой памяти У-460 ёмкостью 4096х26 бит с Тц=2,3 мксек. Матрицы – МЭ-15 – разработаны Г.И. Нефедовым. Началось изготовление и наладка (В.Ф. Юсупов, Ю.Д. Шумкин, В.П. Бучина, В.К. Петров и др.) партии из 10 модулей У-460 для ЦНИИС, ИАТ АН СССР, Всесоюзного НИИ ядерной геофизики и геохимии и других предприятий. завершена с участием К.Е. Юренкова и его коллег НИР “Селектор”: показан способ использования серийных микросхем для построения схем возбуждения ферритового куба ёмкостью до 16384х72 бита с Тц менее 3 мксек. Основной элемент таких схем – трансформаторный матричный переключатель с распределённой нагрузкой с суммированием мощности возбудителей.
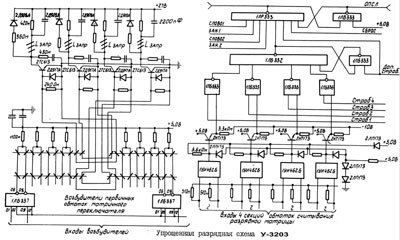
На базе НИР “Селектор” в середине 1972 года мною с участием Г.И. Нефедова, В.И. Степушкина и других завершена разработка и наладка модуля ферритовой памяти У-3203 ёмкостью 16384х52 бита с доминирующим микроэлектронным обрамлением ферритового куба.
Матричный переключатель заимствован из модуля У-465, возбудители переключателя – на интегрированных микросборках транзисторов, схемы воспроизведения – микросхемы серии 169, логические элементы – микросхемы серий 133 и 247. Матрицы – МЭ-11 на сердечниках М101П-4. Конструктивное исполнение – шкаф ЕС ЭВМ.
В дальнейшем мы достигли ещё большего успеха: модуль ферритовой памяти У-3211 ёмкостью 32768х72 бита разместили в таком же типовом шкафу ЕС ЭВМ, причем в модуле использовались трансформаторные матричные переключатели и микроэлектронное обрамление ферритового куба без использования дискретных транзисторов.
В отделе А.С. Горшкова в 1970 году Л.Н. Богословским и его коллегами разработан процессор У-329 на микросхемах, а в следующем году были завершены испытания универсальной ЭВМ «Урал-11М», в составе которой устройства У-329, пульт У-632, У-465, У-215, У-371, У-420 и У-417. Она использовалась в системе «Банк». Скорость работы ЭВМ – до 100000 оп/сек. В машине обеспечена программная совместимость с серийными вычислительными машинами “Урал-11”.

В 1971 году им начата ОКР по разработке универсальной ЭВМ “Урал-21” (“Галета”) для решения задач по обработке космических снимков. Её исполнение – на микросхемах (8000 шт.), на конструктивной и технологической базе ЕС ЭВМ. В её составе – устройство У-0304 для сопряжения с оптико-механическим компаратором (В.К. Елисеев, В.С. Мандров и др.)


В машине использован наш модуль оперативной памяти У-3203. Процессор У-2403 выполнили в одном шкафу ЕС ЭВМ, в котором разместили и мультиплексный канал для подключения периферийных устройств ЕС ЭВМ. Актуальное решение! Разрядность чисел, представленных в формате с фиксированной или плавающей запятой – до 48 бит. Скорость выполнения операций типа сложения – до 180000 в секунду, умножений – до 33000. Ведущий разработчик процессора – Ю.А. Якунин. В разработке У-2403 участвовали И.С. Яшина, В.М. Пырков, Т.А. Балясина (Семеновская), Т.А. Мачнева, Т.М. Якунина, программного обеспечения – Н.М. Конопля, А.И. Плетминцев, Л.М. Рутштейн и др. После кончины Л.Н. Богословского руководство работами перешло в руки А.С. Горшкова.
В августе 1971 года МРП задало НИИММ разработку универсальной ЭВМ “Урал-25” с “уральской” системой команд и математическим обеспечением на конструктивной и технологической базе ЕС ЭВМ. Главный конструктор – А.Н. Невский, заместители главного конструктора А.С. Горшков, В.И. Бурков, Г.С. Смирнов, М.П. Князев, С.Е. Зверев. Главный конструктор прототипом назвал “Урал-16”. Он активно прорабатывал с исполнителями работ новую нормативную базу проектирования.
У математиков В.И. Буркова появилось время на совершенствование и развитие программного обеспечения машины.
В качестве модулей оперативной памяти мною было предположено разработать новый модуль У-3205, вариант модифицированных модулей У-3203: на микросхемах широкого применения серий 155, 170 и других. Техника такого проектирования нами была отработана. Вместе с конструкторами очень быстро нами была подготовлена документация на опытный образец модуля памяти. Трассировка двусторонних печатных плат модуля выполнялась вручную.
В.К. Елисеевым и его коллегами был разработан набор источников питания (П19 … П26) для машин третьего поколения. Они прошли апробацию на предприятии, показали надёжную работу. Вместо источников питания ЕС ЭВМ их решили использовать в “Урале-25”.
В опытном производстве нашего НИИ по инициативе А.Н. Невского началось производство конструктивных компонент ЕС ЭВМ (шкафов, панелей и пр.) для “Урала-25” и модуля оперативной памяти. Сортировка сердечников и вязка матриц выполнялась в отделе запоминающих устройств.
Л.Н. Змачинский подготовил свой аналог известной системы “Рапира” для трассировки на машине “Урал-16” новых ТЭЗов.
Разработчиками контроллеров для внешней памяти стали сотрудники В.А. Болотского, разрабатывавшие аналогичные устройства для “Урала-16”. Это порождало надежду на успешное и быстрое проектирование контроллеров на новой элементной базе.
Разработчики арифметического устройства считали свои решения по реализации У-330 вполне подходящими для реализации на микросхемах. Похоже, и у разработчиков устройства управления царило безмятежное настроение. Но переложение на микросхемы около 2000 ТЭЗов процессора не могло не вызывать опасений за сроки выполнения работ. Видимо, в этих подразделениях не было приложено особых усилий и даже через год работы по процессору были далеки от завершения.
Основным Заказчиком новой машины был Госбанк, финансировавший разработку. Но в 1972 году Госбанк отказался продолжать финансирование разработки машины. Попытки Главка продолжить финансирование оказались, в конечном счёте, безрезультатными. Это была последняя попытка разработки машин “Урал” третьего поколения.

Директор института Виктор Алексеевич Шумов собрал руководителей подразделений института (меня не было в Пензе), сфотографировался с ними и ушёл на пенсию.
В эти годы Б.И. Рамеев вынужден был уйти из НИЦЭВТа, перешёл в Комитет по науке и технике. Он лишился главного в своей жизни – конструирования ЭВМ. На снимке – Башир Искандарович в своей московской квартире.
Изредка мы встречались с ним в Москве и в Пензе. Он живо интересовался ходом моих разработок. Изредка появлялся и в НИИММ, где его радушно встречали, ему освобождали кабинет главного инженера.

Однажды он сказал, что хочет обратиться к С.А. Лебедеву с предложением присудить мне без написания диссертации учёной степени, мне же надо сдать экзамены кандидатского минимума. Никому другому такое он не предлагал. Однако С.А. Лебедев умер раньше, чем я сдал эти экзамены.
А выпуск ЭВМ “Урал” продолжался до 1976 года.
Выпуск универсальных электронных вычислительных машин “Урал”
| Годы | Урал | |||||||||
| 1 | 2 | 3 | 4 | 11Б | 14 | 11 | 11БВ | 14Д | 16 | |
| 1955 | Оп | |||||||||
| 1956 | 1 | |||||||||
| 1957 | 31 | |||||||||
| 1958 | 50 | |||||||||
| 1959 | 60 | Оп+1 | ||||||||
| 1960 | 36 | 14 | ||||||||
| 1961 | 5 | 38 | Оп | |||||||
| 1962 | 48 | 7 | ||||||||
| 1963 | 28 | 1 | ||||||||
| 1964 | 10 | 22 | 22 | |||||||
| 1965 | Оп+11 | Оп+1 | ||||||||
| 1966 | 20 | 9 | ||||||||
| 1967 | 12 | 24 | 1 | 1 | ||||||
| 1968 | 1 | 22 | Оп | |||||||
| 1969 | 6 | 7 | 32 | 1 | ||||||
| 1970 | 2 | 10 | 27 | |||||||
| 1971 | 9 | 31 | ||||||||
| 1972 | 9 | 30 | ||||||||
| 1973 | 8 | 20 | ||||||||
| 1974 | 7 | 14 | ||||||||
| 1975 | 8 | |||||||||
Всего | 183 | 139 | 22 | 30 | 31 | 22 | 32 | 60 | 177 | 1 |
| 374 | 323 | |||||||||
| 697 | ||||||||||
Определенный интерес представляет использование машин “Урал” второго поколения внеинститутскими пользователями.
Помню, после защиты проекта ряда машин “Урал” в 1963 году в Пензу приехал из Подлипок неизвестный И.И. Уткин. Он объяснил нам, ведущим разработчикам, собравшимся в кабинете Рамеева, роль ЭВМ в создававшейся тогда ракетно-космической технике. После приехал Н. Игнатов, отслеживавший процесс наладки “Урала-11”. Именно эту машину они включили в свои системы “Лотос”, предназначенные для обработки телеметрической информации.
Участник разработки этой системы Б.И. Зобов, в прошлом, сотрудник Центрального НИИ ракетно-космической отрасли, сообщил приводимые далее сведения.
В составе системы были устройства У-328, У-340, У-451/У-454, У-545, У-525, четыре графопостроителя и специальные устройства УВИ, УПВ и УВД, созданные в ЦНИИМаш, Специальные устройства преобразовывали принимаемую телеметрическую информацию и выбирали для одновременной обработки из общего потока принимаемых значений измерений. Данные вводились в “Урал-11” в реальном масштабе времени в стековую память, реализованную в МОЗУ машины. Производительность работы системы “Лотос” – 4000 измерений в секунду, в 10 раз превосходящую первую систему автоматизированных измерений “Старт”, разработанную в ЦНИИ космической отрасли. С созданием системы “Лотос” были решены все проблемы, стоявшие перед разработчиками автоматизированных систем обработки телеизмерений. 40 комплектов систем “Лотос” было изготовлено на Пензенском заводе ВЭМ. Они поступили на все полигоны, на испытательные стенды реактивных двигателей, в КБ, на заводы. ПНО “Энергия” и КБ “Южное” получили по два комплекта. В Интернете сообщается и о системе “Лотос-3а”, выполненной на базе машины “Урал-11”.
На предприятии п/я 55 в Баку по заказу “Салгир” разрабатывали управляющую ЭВМ для решения навигационных задач. У них был опыт использования арендованных ЭВМ “Урал-2” и “Минск-2” в качестве инструментальных средств отладки своих “зашиваемых” программ. Участница этих работ поделилась в Интернете своими воспоминаниями:
« … появилась своя машина «Урал-11». Это была не машина, а сказка… Потом у нас были другие машины, более мощные и быстродействующие ЕС-1020, ЕС-1022, ЕС-1032, но ни одна машина не доставляла нам столько радости, как «Урал-11»».
В Ростовском университете “Урал-11” появился в 1966 году, там разрабатывали транслятор с АЛГОЛА. “Урал-11Б” получил и Московский институт народного хозяйства, им пользовались сотрудники кафедры “Экономическая кибернетика”. Машину “Урал-11” использовали в Московском СКБ “Биофизика”.

В Интернете помещены снимки машинного зала Московского института инженеров транспорта с машиной “Урал-14”. В НИИ прикладной математики и кибернетики Горьковского университета в отделе А.М. Гильмана в 1966-1968 годах разрабатывалось математическое обеспечение для ЭВМ “Урал-14”.
В Ленинградском институте путей сообщения по заказу Министерства путей сообщения М.В. Лаврентьев создал для “Урала-14” транслятор с Фортрана, а Т.Н. Семенова и Е.И. Трофимова разработали свою программу-диспетчер. Их программные продукты использовались на Октябрьской железной дороге. “Урал-14” использовали и на Свердловской железной дороге.
Машины “Урал-14” экспортировались в страны народной демократии.
ЭВМ “Урал-14Д” с телеграфной связью с линейными предприятиями использовалась на Забайкальской железной дороге в системе автоматизированного управления. С 1968 года в Хабаровском институте инженеров железнодорожного транспорта на “Урале-14” составляли графики движения и планы формирования поездов.
В АСУП “Первый автокомбинат им. Краузе” применялась машина “Урал-14Д” для обработки путевых листов, учёта материальных ценностей и пр. В Западно-Сибирской Гидрометслужбе использовался “Урал-14Б”.
В Новосибирске разрабатывали транслятор с АЛГАМСа на АРМУ. “Урал-11” экспонировался на выставке “Интероргтехника”, “Урал-14” – на ВДНХ.
Читатель сможет дополнить представленную мною картину применения машин “Урал”, обратившись к Интернету.
В последние годы жизни Башира Искандаровича с ним часто встречался Валерий Степанович Маккавеев, начинавший свой профессиональный путь в Московском механическом институте, где он был слушателем лекций Б.И. Рамеева по цифровой вычислительной технике. Он, как и Ю.Н. Беликов, – способные и верные ученики Рамеевской школы конструирования ЭВМ. Вместе с А.С. Горшковым и О.Ф. Лобовым они были в числе тех, кто проводил Б.И. Рамеева в последний путь. Снимок Г.В. Москаленко. На Кунцевском кладбище.

В 1995 году Б.Н. Малиновский опубликовал интереснейшую книгу “История вычислительной техники в лицах”. В ней – очерк “Сын эпохи” о Башире Искандаровиче Рамееве и его разработках. Эта книга была подарена ведущим разработчикам “Уралов”.
К 50-летию предприятия (филиал СКБ-245, НИИУВМ, НИИММ, НПО “Рубин”) по инициативе директора И.В. Урнева был опубликован сборник воспоминаний ветеранов предприятия Э.С. Козлова, Г.С. Смирнова, О.Ф. Лобова, В.К. Елисеева, Е.Б. Рассказова и других (“О путях создания вычислительной техники, систем управления и связи”) и на здании предприятия была установлена мемориальная доска. Её открыли В.И. Мухин и В.К. Елисеев.
Истории “уральских” разработок посвящены книги:
- Смирнов Г.С. ЭВМ “Урал” в мире публикаций и документов — Пенза, авторское издание, 2001, –431 с.
- Смирнов Г.С. Ферритовая память ЭВМ “Урал”. Страницы истории разработок, — Пенза, авторское издание, 2006 г. –196 с.
- Смирнов Г.С. Семейство ЭВМ “Урал”. Страницы истории разработок, — Пенза, авторское издание, 2007. –188 с.
В виртуальном компьютерном музее (www.computer-museum.ru) помещены электронные версии последних двух книг. Там же помещены очерк В.Г. Желнова “Приборы и контрольные устройства для обеспечения разработки, производства и эксплуатации ЭВМ” и краткие сведения по машинам “Стрела”, “Урал-1,-2,-3,-4”, по специальным машинам, выполненным на “уральской” элементно-конструктивной базе, по ЭВМ “Урал-11, -14, -16” и комплексам “Банк”.
В Интернете можно найти и другие материалы по рассматриваемой теме, например, «Воспоминания Л.В. Власовой – инженера-наладчика советской ЭВМ “Урал-1”». Широко представлены воспоминания участников работ по освоению процесса эксплуатации “Уралов”.
В Московском политехническом музее экспонируется единственная цифровая электронная вычислительная машина (“Урал-1”). Этот образец изготовлен в 1959 году, работал в Воронежском университете, а в 1970 году был передан в рабочем состоянии в музей, на всеобщее обозрение посетителям.

Среди посетителей музея – Василий Иванович Мухин, с 1954 года ведущий разработчик устройства управления машины.

Автором дописываются последние страницы этой книги.

Если приведённые здесь материалы помогут читателям составить более полное представление о делах Рамеевской школы конструирования цифровых электронных вычислительных машин, сочту, что
«недаром многих лет
свидетелем господь меня поставил»
Смирнов Геннадий Сергеевич
Из книги Рамеевская школа конструирования ЭВМ. История разработок в фотографиях










