Радиотелеграф Томаса Алва Эдисона
История развития электросвязи

Радиотелеграф Томаса Алва Эдисона

В 1885 г. Томас Алва Эдисон получил патент США на беспроводный телеграф для связи с кораблями на море. Как и несколько ранее Долбэр, он применял антенны с заземлением и на передающей, и на приемной радиостанциях.

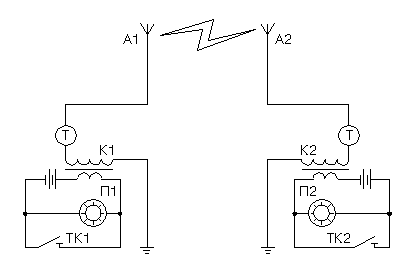
Рис. 1. Радиотелеграф Эдисона

Принципиальная схема радиотелеграфа Эдисона изображена на рисунке. Для генерирования волн и излучения их через антенны А1 и А2 служили индукционные катушки К1 и К2 с быстро вращающимися многоконтактными прерывателями П1 и П2. Для воспроизведения принимаемых сигналов служили телефоны Т1 и Т2. Был применен телефон особой конструкции - "электромотограф" Эдисона. Передача осуществлялась посредством телеграфных ключей ТК1 и ТК2.

Частота прерываний тока в индукционной катушке была тональной; соответственно тональным был и сигнал, воспроизводимый телефоном. По сути это был первый радиотелеграф с электромеханическим генератором. Хотя частота тока была звуковой, это была радиочастота и могла относиться к диапазону частот от 3 до 30 кГц. Согласно установившейся позже терминологии, это был "машинный" радиотелеграф. Впоследствии для машинного радиотелеграфа были разработаны более совершенные индукционные генераторы переменного тока значительно более высоких частот, и для приема радиосигналов потребовались другие детекторы. Машинный радиотелеграф получил значительное развитие с первых годов XX в. и применялся на дальних линиях радиосвязи (например, на линии Москва - Нью-Йорк) вплоть до конца 30-х годов. Имеются сведения, что при экспериментах в лаборатории Эдисона в Мэнло-Парке демонстрировалась радиосвязь на расстояниях около 200 м.

Согласно публикациям того времени, в 1887 г. беспроводное телеграфирование посредством радиоволн демонстрировали также Уиллоуби Смит и Гренвилл в Англии.