Устройство постоянной памяти ЭВМ М-10
Р. П. Шидловский, Б. И. Слипченко
Рассмотрен вопрос организации постоянной памяти ЭВМ М40 на базе постоянного запоминающего устройства конденсаторного типа на металлических перфокартах. Приведены особенности практической реализации такого устройства, а также схемные я конструктивные решения его основных узлов. Дано представление об организации адресной сети памяти и формировании считанного сигнала.
Главная постоянная память ЭВМ М-10 представляет собой постоянное запоминающее устройство (ПЗУ) конденсаторного типа на металлических перфокартах. Информационная емкость памяти составляет 512 кбайт, время считывания (выборки) информации — 0,5 мкс, длительность цикла обращения — 1,3 мкс. Выбор ПЗУ такого типа был обусловлен рядом соображений.
В начальный период разработки широкое распространение получили ПЗУ на линейных и нелинейных трансформаторах, запись информации в которых осуществлялась путем селективной прошивки тех или иных обмоток накопителя. Однако, несмотря на целый ряд очевидных преимуществ (малые габариты, простота, низкая стоимость и т. д.), применение таких ЗУ в качестве постоянной памяти ЭВМ М-10 было признано нецелесообразным по следующим причинам.
Во-первых, опыт эксплуатации ПЗУ с достаточно большими информационными объемами, являющихся составной частью главной памяти машины, показал, что в большинстве случаев информация, записываемая в ПЗУ, претерпевает существенные и многократные изменения на всех этапах “жизни” ЭВМ. Замена информации в ПЗУ с селективной прошивкой обмоток в процессе эксплуатации ЭВМ относительно трудоемка и сложна технологически, что делает ПЗУ такого типа в эксплуатационном отношении недостаточно гибким.
Во-вторых, реализация заданного быстродействия при больших информационных емкостях таких ПЗУ находилась в то время на пределе технических возможностей, вследствие чего эти ПЗУ не имели бы необходимых запасов области устойчивой работы, а также конструктивных и электротехнических решений, обеспечивающих требуемую надежность функционирования и возможность изготовления устройств в условиях серийного производства.
В связи с этим были рассмотрены другие варианты создания нужного ПЗУ и, в частности, ПЗУ конденсаторного типа на металлических перфокартах, ПЗУ на магнитных сердечниках с неразрушающим считыванием информации типа биакс и КДО (кольцевые сердечники с диаметральными отверстиями) и ПЗУ на цилиндрических магнитных пленках. Предпочтение было отдано варианту ПЗУ на металлических перфокартах, как наиболее простому, потому что созданные к этому времени отдельные образцы ПЗУ на биаксах, КДО и цилиндрических магнитных пленках не прошли необходимой проверки в условиях серийного производства и эксплуатации.

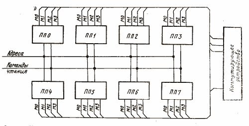
Рис. 1. Упрощенная блок-схема организации постоянной памяти ЭВМ М-10
(ПП0 — ПП7 устройства постоянной памяти)
Упрощённая блок-схема организации постоянной памяти ЭВМ М-10 показана на рис. 1 и состоит из 8 отдельных устройств ПП0 — ПП7, являющихся функционально законченными устройствами памяти с информационной емкостью 64 кбайт. Каждое из них конструктивно оформлено в виде отдельного шкафа и имеет самостоятельные схемы организации считывания информации, аппаратного контроля и защиты цепей питания.

Рис. 2. Блок-схема устройства ПП (УП0 — УП3 — узлы памяти)
Блок-схема одного устройства ПП показана на рис. 2. Помимо общих для устройства схем управления и контроля, в его состав входят 4 модуля памяти М0-М3. Информационная емкость одного модуля составляет 16 Кбайт, или 1024 136-разрядных двоичных числа (128 разрядов — рабочие, 8-контрольные).
Адресная система, числовой регистр, куда производится прием прочитанной информации, схемы аппаратного контроля и схемы управления каждого модуля автономны. Считывание информация из отдельных модулей может осуществляться по независимым адресным и управляющим командам.
Адресная система всей памяти состоят из 6 автономных адресных направлений, которые подведены ко входам адресных регистров модулей во всех 8 устройствах ПП0-ПП7. Включение любого из модулей в режим считывания информация по нужному адресному направлению производится с помощью системы управляющих команд, поступающих в модули из устройства центрального управления ЭВМ.
С выходов числовых регистров модулей информация, прочитанная из постоянной памяти, передается в коммутационное устройство ЭВМ. Все 32 направления передачи информации независимы.
Аппаратный контроль работы устройств и модулей постоянной памяти производится путем контроля по нечетности адресной и прочитанной информации. Информационное состояние 10-разрядного адресного регистра каждого модуля контролируется с помощью одного дополнительного разряда, числового регистра — с помощью 8 разрядов (по одному разряду на два байта).
Считывание информации в числовой регистр модуля осуществляется по схеме ИЛИ из 4 узлов памяти УП0-УП3.

Рис. 3. Организация узла памяти (блоки АК1 и АК2 — блоки адресных коммутаторов;
блоки УЧ1 и УЧ2-блоки усилителей чтения).
Функциональная и конструктивная организация всех узлов памяти одинакова и показана на рис. 3.
В состав каждого узла входят:
— блок накопителя БН с информационной емкостью 2о6 136-раз- рядных двоичных чисел;
— два блока адресных коммутаторов АК1 и АК2 на 128 выходов каждый;
— два блока усилителей чтения УЧ1 и УЧ2 по 68 каналов усиления прочитанных из накопителя сигналов в каждом.
Помимо усилителей чтения, в каждом блоке УЧ1 и УЧ2 расположено по 16 триггеров двух байтов (одной позиции) числового регистра модуля. Там же находятся триггер и схемы аппаратного контроля этой позиции по нечетности.
Схемы управления и аппаратного контроля устройства ПП, а также органы управления и индикации, расположенные на его панели, позволяют осуществлять различные автономные режимы контроля работы устройства и отдельных его функциональных узлов, локализацию неисправного блока, снятие областей устойчивой работы модулей, индикацию адресной и прочитанной информации и т. д.
Все логические схемы устройства ПП построены на микросхемах 217 серии.
Блок накопителя узла памяти конструктивно выполнен в виде двух одинаковых кассет. Принципиальная схема накопителя одной кассеты представляет собой ортогональную сетку из 256 адресных и 68 выходных (разрядных) шин, каждое перекрестие которых является ячейкой для запоминания одного бита информации. Запись в ячейке “1” или “0” определяется наличием или отсутствием емкостной связи между адресной и выходной шинами в данном перекрестии. Введение или разрушение этих связей производится с помощью металлических защемленных перфокарт, которые вводятся между платами адресных и выходных шин. От адресных и выходных шин перфокарты изолируются сменными полиэтиленовыми прокладками. Если в месте перекрестия в перфокарте пробито отверстие, то емкостная связь между шинами есть; если отверстия нет, то связь разрушена.
В блоке накопителя одноименные адресные шины двух кассет объединены. Считывание информации из накопителя происходит путем подачи импульса напряжения опроса на нужную адресную шину. Амплитуда импульса порядка 18 В, длительность — 200 нс. При этом на выходных шинах, с которыми выбранная адресная шина имеет информационные емкостные связи, выделяются сигналы чтения “1”. На выходных шинах, которые этих связей не имеют, полезных сигналов не будет и с них считываются сигналы чтения “0”. Амплитуда сигналов чтения “1” на выходных шинах накопителя около 5 мВ; соотношение сигнал/помеха — не менее 4.
Платы адресных в выходных шин изготавливаются способом печатного монтажа. Ширина адресных и выходных шин в местах перекрестий — 2 мм, расстояние между шинами — 5 мм. Толщина перфокарт — 0,1 мм, диаметр отверстий — 4 мм. Толщина полиэтиленовых прокладок — 0,1 мм. Информационная емкость одной перфокарты 8 З4-разрядных двойных чисел. Информация, записываемая на одной адресной шине накопителя, располагается на одноименных адресных рядах четырех перфокарт. В каждой кассете устанавливаются 64 перфокарты, в блоке 128. Установка перфокарт в блоки накопителей производится вручную. Пробивка перфокарт ведется на специальном перфораторе. Управление работой перфоратора в полуавтоматическом режиме осуществляется с помощью стандартной 8-дорожечной перфоленты и фотосчитывающего устройства FS -1500; предусмотрен также и ручной режим управления.
Разработка и промышленное освоение узла памяти и блока накопителя, в частности, потребовали преодоления достаточно сложных конструктивных и электротехнических трудностей, связанных с получением стабильного и нужного по величине соотношения сигнал/помеха на входе усилителей чтения (выходных шинах накопителя).
Основными причинами, которые приводят к нестабильности соотношения сигнал/помеха в выбранной схеме накопителя, являются:
— зависимость соотношения сигнал/помеха от состава записанной информации и качества механической сборки накопителя;
— наличие паразитных связей между адресными и выходными шинами;
— считывание сигналов с выходных шин относительно общей “земли” накопителя и устройства в целом.
Электротехническими и конструктивными решениями, которые позволили в значительной степени устранить эти дестабилизирующие факторы, стали: тщательное экранирование друг от друга адресных и выходных шин; выбор оптимальной формы шин; организация кратчайших путей замыкания переменной составляющей сигналов в адресном коммутаторе, накопителе и усилителях чтения в контуре общей “земли” узла памяти; точный расчет системы допусков, обеспечивающих собираемость механических узлов накопителя, и строгий их контроль в процессе производства.
Адресные коммутаторы построены по схеме транзисторной матрицы из 8 горизонтальных и 16 вертикальных селектирующих шин, в перекрестиях которых включены оконечные транзисторы формирователей тока опроса. Базы транзисторов подключены к вертикальным шинам, а эмиттеры — к горизонтальным, коллекторы — к соответствующим адресным шинам накопителя. При отсутствии обращения все транзисторы сетки закрыты. Для выбора нужного транзистора на его эмиттер и базу подаются управляющие импульсы, в результате транзистор открывается, и на его коллекторе формируется импульс напряжения опроса.
В усилителях чтения производятся усиление сигналов, считываемых с выходных шин накопителя, а также их амплитудная и временная селекция. Амплитудная селекция осуществляется регулировкой порога срабатывания одного из нелинейных каскадов усилителя, временная — на входе триггеров числового регистра.
Описанное устройство ПП надежно в работе и хорошо зарекомендовало себя в производстве и эксплуатации.
Статьи об ЭВМ М-10
Сборник “Вопросы радиоэлектроники”, серия “Электронная вычислительная техника”, выпуск 9, 1980 г.
Перепечатывается с разрешения авторов.
Статья помещена в музей 20.07.2007 г.